JN15-12(40.5)indoor HV earthing switch absorbs advanced new technics from domestic and abroad. It conforms to GB1985 AC HV disconnect switch and earth switch, relative standards IEC60129 and has passed KEMA test. The apparatus applies to power system of rated voltage 12kV/40.5kV, and frequency AC 50/60Hz. It is suitable for various types HV switchgear for earthing protection. The holistic earthing switch consists of base, supporting insulator, main axis, main blade, fast spring, fixed and moving contact. Additional electronic display is also available according to the user's requirement.
Ambient condition
1. Altitude: ≤ 1000m;
2. Ambient temperature: -25 ℃ ~+40℃ ;
3. Relative humidity: daily average ≤ 95 , monthly average ≤ 90 ;
4. Earthquake intensity: ≤ 8 grade.
Product feature
Advanced design and steady performance.
2. Simple structures, simple mounting and adjustment.
3. Quick breaking and making capability.
4. Handsome appearance and delicate manufacture technics.
5. Usable and scientific, available operation on both two sides(right and left).
Technical specification

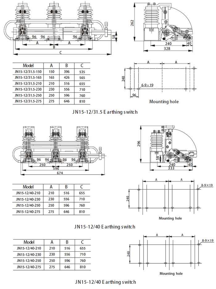
Outline dimension
