GN19-12(C) indoor HV disconnect switch applies to power system of rated voltage below 12kV,three phase AC 50/60Hz. It is equipped with CS6-1 manual-operating mechanism and is used to break and make circuit under no-load. There are additional pollution type and high-altitude type.
Ambient condition
1. Altitude: 1000m~3000m;
2. Ambient temperature: -30℃ ~+40℃ ;
3. Relative humidity: daily average ≤ 95% , monthly average ≤ 90% ;
4. Earthquake intensity: ≤ 8 grade;
5.Wind pressure: ≤ 700pa(wind speed 34m/s)
6. Applicable occasions should free from inflammables, explosives, corrosives and severe vibration.
Product feature
1. Scientific design and simple structure.
2. Large clearance between gaps.
3. Small operating power and steady performance.
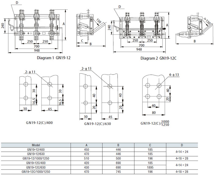
Model

Technical specification

Outline dimension
