HongXiu Electric Co., Ltd.

Intelligent Automation Equipment For Power Grid

FLW36-12/24F(SOG) Outdoor Pole-mounted HV AC SF6 Insulation Load Break Switch Type Sectionalizer

If you have any questions, please contact us!

Summary
FLW36-12/24F(SOG) outdoor pole-mounted HV AC SF6 insulation load break switch type sectionalizer is suitable to the distribution network with rated voltage 12kV/24kV, rated current 400/630A, three-phase AC 50/60Hz to open and close the load current and short circuit current in the power system. It can automatically disconnect the distribution line segment in which the fault occurred. Equipped with the advanced electronic controller, the switch can be for manual operation, electric operation and remote operation. The electronic controller is installed in a stainless steel cabinet, so it can be used in all kinds of climatic conditions. The wire and wireless modems can be also installed in the cabinet to realize remote monitoring and control. Simple, convenient and quick pole mounting can lower the installation cost. The product conforms to the standards of IEC62271-103 & GB/T3804: 3.6kV~40.5kV AC high voltage load break switch and IEC60694 & GB/T11022: high voltage switch apparatus and control device.

Ambient conditions
1. Altitude: ≤3000m;
2. Ambient temperature: -40℃~+45℃;diurnal temperature rang ≤25℃;
3. Wind speed: ≤35m/s, equivalent to wind pressure of 700Pa;
4. Earthquake intensity: ≤grade 8;
5. Relative humidity: 100%;
6. Ice thickness: ≤10mm
7. Pollution degree: ≤Ⅳ(GB5582);
8. Applicable occasions: no fire and explosion danger, no chemical corrosion and no frequent severe vibration.

Model


Technical specification
No. Item Unit Data
1 Rated voltage kV 12/24
2 Rated frequency Hz 50/60
3 Rated insulation level
(charged SF6 gas
0.05MPa/20℃)
Lightning impulse
withstand voltage(peak)
Phase to phase, phase to earth kV 75/125
Across open contacts 85/145
1min P.F withstand
voltage
Phase to phase, phase to earth 42/64
Across open contacts 48/79
Raining withstand voltage test 34/50
4 Insulation level under zero gauge pressure 1min P.F withstand voltage kV 30
5 Rated current A 630
6 Rated load breaking current (at 0.05MPa/20℃) 630
7 Breaking current at zero gauge pressure 630
8 Rated short-circuit making current kA 50
9 Rated short-time withstand current/duration kA/s 20/4
10 Rated peak withstand current(peak) kA 50
11 Rated cable charging breaking current A 25
12 Rated line charging breaking current 1.5
13 Rated loop breaking current 630
14 Breaking times of rated load breaking current times 100(E3 class)
15 Rated SF6 gas pressure MPa 0.05±0.01
16 Main loop resistance for each phase μΩ ≤120
17 Relative gas leakage rate yearly ≤1%
18 SF6 gas moisture content Delivery ex-factory value ppm ≤150
Switch operating value ≤300
19 Mechanical life times 5000(M2 class)
20 Contact gap mm 47±2
21 Contact over-travel 17±2
22 Average opening speed m/s 1.2±0.2
23 Average closing speed 0.6±0.2
24 Closing time ms 25~60
25 Opening time 18~45
26 Rated operating voltage V DC220、AC220
27 Rated power for energy storage motor W 40
28 1 min P.F withstand voltage for secondary loop kV 2
29 Phase-to-phase spacing mm 230±1.5/340±1.5
30 Net weight kg 125/155


Main function features
1. SF6 gas insulation: SF6 gas is the non-toxic, non-combustible and electrical insulation gas, it has excellent arc-extinguishing performance;
2. Besides the standard porcelain bushing, a variety of options are available including silicon rubber insulator on the epoxy equipment bushing;
3. Visible Open/Close: The main contact position indicator marked by colors (Green-Open; Red-Close) can be easily visible from the ground. The indicator is connected directly to the main contact drive shaft assembly to ensure displaying the contact state accurately;
4. Quick operation: Using a spring energy storage operator to ensure rapidly closing and opening operation(less than 1s);
5. Remote controllable: With a electronic controller, field operation or main control platform operation through FTU-interface can be realized;
6. Sturdy and durable switch: The switch is made from the sturdy, durable and anti-corrosion materials (304L stainless steel plate for warships) to ensure long service life(more than 30 years) and a series of operations;
7. Easily installation: The switch can be pole mounted easily ;
8. Standards: Each switch is filled with Sf gas and sealed well before delivery, and is strictly tested according to the standards IEC60265-1 6 (1998) and GB3804-1990.

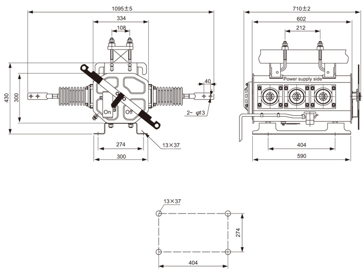
Outline and installation dimension

Hide

Email

hongxiu4u@gmail.com
Email

Phone

0086-577-62890982
Phone

⚠️ 您的浏览器版本过低,可能无法正常使用本网站的全部功能。建议使用 ChromeFirefoxEdge 浏览器访问。