HongXiu Electric Co., Ltd.

Intelligent Automation Equipment For Power Grid

ZWHF-12 Outdoor HV AC Vacuum Circuit Breaker Type Sectionalizer

If you have any questions, please contact us!

Summary
ZWHF-12 outdoor HV AC vacuum circuit breaker type sectionalizer (hereinafter referred to as the sectionalizer) is a new multifunctional intelligent device which is mainly assembled by three parts of a vacuum circuit breaker, a CH-40 controller and external (or built-in) voltage transformer (Note: bilateral PT can be chosen to use in distribution automation line ring network), so as it has the funtions of vacuum circuit breaker, vacuum load break switch, recloser and sectionalizer. The sectionalizer is widely used in overhead ring network line for unban and rural electric distribution networks with rated voltage 12kV as the sectionalzing disconnect switch, interconnection switch, automatic switch device which can implement the ring deployment line load. It can be used as a sectionalized switch (commonly known as a watchdog) in the branch line of power supply, used as a recloser and a sectionalizer in feed overhead distribution network. The sectionalizer has remote management mode, and has the functions of protection & control and communication. It can reliably judge and detect MA level zero-sequence current and short-circuit fault current between phases to remove automatically the single-phase grounding fault and short-circuit fault between phases. The product conforms to the standards of IEC62271-100 & GB1984: AC high voltage circuit breaker, IEC60694 & GB/T11022: HV general technical requirement of switch and control apparatus.

Ambient conditions
1. Altitude: ≤3000m;
2. Ambient temperature: -30℃~+45℃;diurnal temperature rang ≤25℃;
3. Wind speed: ≤35m/s;
4. Earthquake intensity: ≤grade 8;
5. Relative humidity: monthly average ≤90%; daily average ≤95%;
6. Ice thickness: ≤10mm
7. Pollution degree: ≤Ⅳ(GB5582);
8. Applicable occasions: no fire and explosion danger, no chemical corrosion and no frequent severe vibration.

Model


Technical specification
No. Item Unit Data
1 Rated value Rated voltage kV 12
Rated frequency Hz 5/60
Rated current A 630
Rated withstand current(peak) kA 50
Rated short-time withstand current(4s) 20
Rated short-circuit making current(peak) 50
Breaking times of rated current times 1000
Making times of rated short-circuit breaking current 30
2 1min P.F
withstand current
Phase to phase, phase to earth kV 42
Across open contacts 48
Secondary loop withstand voltage 2
3 Lightning impulse
withstand voltage
(peak)
Phase to phase, phase to earth 75
Across open contacts 85
4 Opening speed m/s 1.2±0.2
5 Closing speed 0.8±0.2
6 Closing time ms 20~60
7 Opening time 18~45
8 Contact close-boucing time ≤2
9 Three-phase opening/closing non-simultaneity ≤2
10 Resistance for each phase conductive loop μΩ ≤120
11 Rated power for energy storage motor W ≯40
12 Rated voltage for energy storage motor V DC24/DC220
13 Rated close-operating voltage DC24/DC220
14 Rated open-operating voltage DC24/DC220
15 Rated gauge pressure of SF6 gas(gauge pressure) MPa “0”
16 External creepage distance cm/kV 3.8±2
17 External charged air insulation distance mm 240±2
18 Phase-to-phase spacing 135±1.5
19 Mechanical life times 10000
20 Net weight kg 145


Main function features
1. Reliable sealing performance with IP67 Protection Level: The mature sealing technoloty assures reliable sealing performance. The shell is processed by die drawing once-shaping technology, so it’s easy for the case sealing with high air tightness and high mechanical strength.
2. Excellent breaking capability: To break the short-circuit current can be up to 25kA with 30 times.
3. Free maintainance: The main loop of circuit breaker, the secondary component and the operation mechanisn are all sealed in SF6 gas (zero gauge pressure), so they are not affected by the external environment, and have stable & reliable performance as well as the advantage of free maintianance.
4. Good performance of incoming and outgoing line: The switch adopt liquid silicon rubber corner bushing to make the distance between phases up to 280mm and ensure good performance of external insulation.
5. Safe usage: Anti-explosive device mounted on the top of box can prevent heated gas or matters from spattering out once the switch fault occurs.

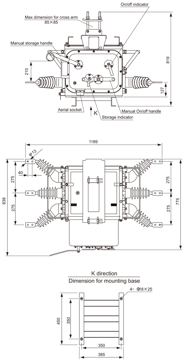
Outline and installation dimension

Hide

Email

hongxiu4u@gmail.com
Email

Phone

0086-577-62890982
Phone

⚠️ 您的浏览器版本过低,可能无法正常使用本网站的全部功能。建议使用 ChromeFirefoxEdge 浏览器访问。