Summary
FLW36-12/24(SOG) outdoor pole-mounted HV AC SF6 insulation load break switch type sectionalizer is suitable to the distribution
network with rated voltage 12kV/24kV, rated current 400/630A, three-phase AC 50/60Hz to open and close the load current and short
circuit current in the power system. It can automatically disconnect the distribution line segment in which the fault occurred. Equipped
with the advanced electronic controller, the switch can be for manual operation, electric operation and remote operation. The electronic
controller is installed in a stainless steel cabinet, so it can be used in all kinds of climatic conditions. The wire and wireless modems can
be also installed in the cabinet to realize remote monitoring and control. Simple, convenient and quick pole mounting can lower the
installation cost. The product conforms to the standards of IEC62271-103 & GB/T3804: 3.6kV~40.5kV AC high voltage load break
switch and IEC60694 & GB/T11022: high voltage switch apparatus and control device.
Ambient conditions
1. Altitude: ≤3000m;
2. Ambient temperature: -40℃~+45℃;diurnal temperature rang ≤25℃;
3. Wind speed: ≤35m/s, equivalent to wind pressure of 700Pa;
4. Earthquake intensity: ≤grade 8;
5. Relative humidity: 100%;
6. Ice thickness: ≤10mm
7. Pollution degree: ≤Ⅳ(GB5582);
8. Applicable occasions: no fire and explosion danger, no chemical corrosion and no frequent severe vibration.
Model
Technical specification
| No. |
Item |
Unit |
Data |
| 1 |
Rated voltage |
kV |
12/24 |
| 2 |
Rated frequency |
Hz |
50/60 |
| 3 |
Rated insulation level
(charged SF6 gas
0.05MPa/20℃) |
Lightning impulse withstand
voltage(peak) |
Phase to phase, phase to earth |
kV |
75/125 |
| Across open contacts |
85/145 |
1min P.F withstand
voltage |
Phase to phase, phase to earth |
42/64 |
| Across open contacts |
48/79 |
| Raining withstand voltage test |
34/50 |
| 4 |
Insulation level under zero gauge pressure 1min P.F withstand voltage |
kV |
30 |
| 5 |
Rated current |
A |
630 |
| 6 |
Rated load breaking current (at 0.05MPa/20℃) |
630 |
| 7 |
Breaking current at zero gauge pressure |
630 |
| 8 |
Rated short-circuit making current |
kA |
50 |
| 9 |
Rated short-time withstand current/duration |
kA/s |
20/4 |
| 10 |
Rated peak withstand current(peak) |
kA |
50 |
| 11 |
Rated cable charging breaking current |
A |
25 |
| 12 |
Rated line charging breaking current |
1.5 |
| 13 |
Rated loop breaking current |
630 |
| 14 |
Breaking times of rated load breaking current |
times |
100(E3 class) |
| 15 |
Rated SF6 gas pressure |
MPa |
0.05±0.01 |
| 16 |
Main loop resistance for each phase |
μΩ |
≤120 |
| 17 |
Relative gas leakage rate |
yearly |
≤1% |
| 18 |
SF6 gas moisture content |
Delivery ex-factory value |
ppm |
≤150 |
| Switch operating value |
≤300 |
| 19 |
Mechanical life |
times |
5000(M2 class) |
| 20 |
Contact gap |
mm |
47±2 |
| 21 |
Contact over-travel |
17±2 |
| 22 |
Average opening speed |
m/s |
1.2±0.2 |
| 23 |
Average closing speed |
0.6±0.2 |
| 24 |
Closing time |
ms |
25~60 |
| 25 |
Opening time |
18~45 |
| 26 |
Rated operating voltage |
V |
DC220、AC220 |
| 27 |
Rated power for energy storage motor |
W |
40 |
| 28 |
1 min P.F withstand voltage for secondary loop |
kV |
2 |
| 29 |
Phase-to-phase spacing |
mm |
230±1.5/340±1.5 |
| 30 |
Net weight |
kg |
125/155 |
|
Main function features
1. SF6 gas insulation: SF6 gas is the non-toxic, non-combustible and electrical insulation gas, it has excellent arc-extinguishing performance;
2. Besides the standard porcelain bushing, a variety of options are available including silicon rubber insulator on the epoxy equipment bushing;
3. Visible Open/Close: The main contact position indicator marked by colors (Green-Open; Red-Close) can be easily visible from the ground.
The indicator is connected directly to the main contact drive shaft assembly to ensure displaying the contact state accurately;
4. Quick operation: Using a spring energy storage operator to ensure rapidly closing and opening operation(less than 1s);
5. Remote controllable: With a electronic controller, field operation or main control platform operation through FTU-interface can be realized;
6. Sturdy and durable switch: The switch is made from the sturdy, durable and anti-corrosion materials (304L stainless steel plate for warships)
to ensure long service life(more than 30 years) and a series of operations;
7. Easily installation: The switch can be pole mounted easily ;
8. Standards: Each switch is filled with Sf6 gas and sealed well before delivery, and is strictly tested according to the standards IEC60265-1
(1998) and GB3804-1990.
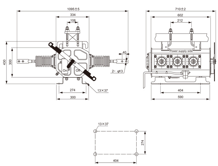
Outline and installation dimension